提供专业空调家电维修技术服务,免费检测!先维修、后付款!售后保修1年!
第一章 空调电控基础知识
美的家用和商用空调中所使用的电控有很多相同的地方,比如电源电路、温度检测电路、电流检测电路、继电器驱动电路等。一个空调的电控板就是由这些简单的电路构成。本章所介绍的主要是美的空调电控上使用的一些主要部件以及电控设计方面的一些规范,针对原理做比较详细的介绍。后面的美的定频机和变频机技术以及RS-485信号知识都属于美的商用空调中比较基础但是又很通用的技术,掌握这些对熟悉美的商用空调的电控有事半功倍的效果。
第一节 空调中常用元器件的名称及起作用
A. 电阻:
空调中常用的电阻有碳膜电阻和水泥电阻。
主要在电路中起分压,降压,限流等作用。
色环电阻阻值可直接通过其自身的色环来读取其阻值大小:
颜色和阻值对应如下示:
棕 红 橙 黄 绿 蓝 紫 灰 白 黑 金 银
1 2 3 4 5 6 7 8 9 0 ±5% ±10%
金银色一般在最后表示电阻精确度。下面以四色环为例读其阻值:

如上图:电阻颜色为橙、绿、红、金色,依次为3、5、2,误差±5%。
其阻值为35×100(10的2次方)欧姆=3.5千欧。误差±5%。
对于贴片电阻其阻值大小可以通过标示值来读取,如标示位为221,阻值大小为:22×10(10的1次方)=220欧姆。
B. 电容:
常用的有贴片电容、电解电容和瓷片电容。
主要在电路中起滤波,旁路及风机中启动和运转的作用。
电容在使用中要注意耐压值的选取以及和电阻,电感的匹配。容值的大小可以通过标示值来读取:
例如贴片或瓷片标示为103,其容值大小为
10×1000(10的3次方)=10000PF。
C. 二极管:
分为锗管和硅管。
最大的特点是具有单向导通性。电流正向通过,反向截至。
主要在电路中起整流、限压(钳位)和开关的作用。
D. 三极管:
同样分为锗管和硅管。
共有三极:集电极、发射极,基极。
主要在电路中起电流放大、开关、限压等作用。
E. 光电耦合器(俗称光耦):
在电路中把光电隔离,大大提高了线路抗干扰能力。
通常有红外发光管。当初级有电流信号通过时,使红外二极管发光,次级的光敏器件如光敏二极管,光敏三极管,光敏电阻,光敏晶闸管等受光后,在次级又输出光信号。
整个过程是电—>光—>电的过程。
F. 可控硅:
家用空调中主要起风机调速作用,商用空调主要在数码涡旋中用于卸载阀的控制。
在数码涡旋中
电路中表示符号为SCR共有三极:
阳极(A),阴极(K),控制栅极(G)。
在风机调速过程中,与负载电机串联于交流电路中,通过控制可控硅导通角的大小,就可以改变负载上的电压有效值。
G. 电流互感器:
电流互感器实际是一个线性变压器。其输入电流(被检测电流)与输出电流跟它的内部线圈匝数成正比关系。
H. CPU(芯片):
在空调中出现过的有掩模芯片,FLASH片和EEPROM,DSP片等。
掩摸芯片指利用掩模技术把信息固化在芯片当中,芯片内的东西不能再更改。
FLASH芯片内容则可以更改多次。
EEPROM一般指存储参数用的ROM,内容可反复擦写。
DSP片用于美的变频空调中,它是16位芯片,运算速度快,精度高。
商用空调中主要使用的芯片是NEC公司的D78F9177CU(简称9177)和D78F0034ACW(简称780034)。这两款芯片特点是资源丰富,抗干扰能力强。
在维修空调时,可以如果电控板无动作,则可以测量芯片的电源管脚上有无+5V的电压。
780034的32和33管脚分别为+5V和地;
9117的1和2管脚分别为地和+5V。
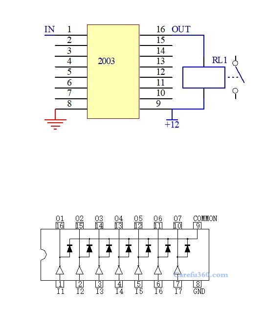
I. 2003芯片:
2003芯片的输入—输出特性相当于是一个反向器。当2003输入端为高电平(+5V)时,对应的输出口输出低电平(0V),继电器线圈两端通电,继电器触点吸合;当2003输入端为低电平时(0),对应的输出口输出高电平(+12V),继电器线圈两端断电,继电器触点断开。
J. 压敏电阻:
一般并联在零线和火线之间或零线和地之间或火线和地之间。起电压保护的作用。它的导电性能呈非线性变化,当压敏电阻两端所加电压低于标称电压值时,其内部阻抗接近于开路状态。而当外加电压高于其标称值时,对电压的响应时间非常快,它承受电流的能力非常惊人,而且不会产生续流和放电迟滞现象,进而迅速熔断保险丝来保护后面的电路。
K. 7805,7812:
此两芯片都为稳压芯片。
当初级电压在一定范围内时,次级的输出都是稳定在一个特定值。提供给负载一个稳定的工作电压。(详见第二节的线性电源电路)
第二节 空调电控中典型电路分析
一、线性电源电路
电子电路与电子设备都需要有一个稳定的直流电源提供能量,而且对于我们现在所面临的控制器而言,都是利用电网提供的交流电源,经过整流、滤波、稳压后,滤去其不稳定的脉动、干扰成分,来使电子电路与电子设备保持正常的工作。
对于美的的空调的电控来说,除了变频机的模块上用开关电源外,其余的室内或室外电控使用的均为线形电源,即通过降压、整流、滤波、稳压后而提供给电子电路及芯片工作。下面我们就原理及关键部件做详细介绍。
1、线性电源电路的方框图与典型原理图:
线性电源电路基本上由四部分组成:变压器降压、二极管或桥堆整流、电容或电感滤波、三端稳压块稳压,他们之间的组合则可构成一个最基本的,也是最可靠的线性电源电路:


2、主要参数和部件介绍:
V1——220V交流电(变压器输入)
V01——12至16V的交流电(变压器输出,因变压器型号不同输出电压有所不同,一般为16V),波形如下图

V02——经四个二极管全波整流后输出16V左右的脉动直流电,波形如下图

V03——经电容C1滤波后输出16V接近平滑的直流电,波形如下图

V0——经过7812稳压后输出稳定的12V直流电,此12V直流电一部分电供给电控板上的2003和继电器等,另一部分经7805输出稳定的5V直流电(典型电路中),供给电控板上的主控芯片(单片机)及其外围电路使用。
关键部件介绍:
变压器:变压器由线圈绕组、铁芯组成。一般而言,变压器还有一个外壳,用来起屏蔽和固定作用。
变压器是利用互感现象原理工作的:当一次侧绕组通以交流电时,一次绕组产生磁场,二次绕组的线圈切割磁力线而产生感生电动势,这样由交变电场生成磁场,磁场通过闭合的铁芯耦合到次级绕组,从而在次级线圈中生成感应电动势。
整流二极管:二极管按材料分有硅二极管与锗二极管两种。它具有单向导电性。
二极管由P型半导体与N型半导体构成,在P型、N型半导体之间接触面形成一个PN结,通过PN结对不同方向电压的不同导电性来达到导通与截止的作用。当通以正向电压时,电流流过;通以反向电压时,二极管截止,电流不能通过。
用万用表的“二极管”档即可测出二极管的好坏。
7812和7805:7812用于输出稳定的12V直流电,7805用于输出稳定的5V直流电,即使市电电压有少量变动,其输出也恒定。
目前美的使用的三端稳压器7805、7812,它有输入、输出和公共端三个端子。输出电压稳定不变。这种稳压器内部集成有取样电路、保护电路、调整电路、比较放大电路、基准电路、启动电路、恒流源电路。7805和7812外形一样(通常7812上都有散热片而7805没有),如右图:
中间的管脚为“地”,左边管脚为输入,右边管脚为输出。
用万用表的直流电压档测其输出和输出即可判断出其好坏。
瓷片电容C2、C4、C6容量较小,可以有效的过滤电路中的高频干扰部分,一般采用104瓷片电容。
二、温度检测电路
1、电路图:
优选电路: 图(a) 、图(b)。
温度传感器有一特性,即在不同的温度时有不同的电阻值,利用传感器的这一特性,可设计温度检测电路:
图(a)为常见电路, 图(b)在两个分压电阻上分别加了个稳压二极管,用于防静电箝位,主要用在大功率分体机、移动空调、抽湿机等容易产生静电的机型。
以前使用过的温度检测电路还有很多种,如图(c)是23常规机所用电路, C1与C2起到同样的滤波作用: 柜机的电路是图(d),它的电容C1用的是47μF; 变频机所用电路又有区别,如36变频为图(e),没有用C1,它的C2为223,45变频为图(f),R2为1K,50变频为图(g)。 空调器所用的温度检测电路中还有一种为排气温度检测电路,电路基本相同,如50变频所用的图(h)。


2、工作原理及电子元器件在电路中的作用:
所有温度检测电路原理大致相同,现以空调器中常用的电路图(a)为例进行分析: 电路中,温度传感器RT(相当于可变电阻)与电阻R1形成分压,则A端电压为:5R1/(RT +R1),随着外界温度的变化,温度传感器RT的电阻值跟着变化,则A端的电压相应变化。
因为RT在不同的温度有相应的阻值,则不同的外界温度在A端有相应的电压值,外界温度与A端电压形成一一对应的关系,可以把此对应关系制成表格。因此单片机可根据不同的电压值检测外界温度。
电路中,RT与R1组成分压电路,C1、C2和R2形成Π型RC滤波,C1对分压电路输出电压进行第一次滤波(平滑滤波),随后C1两端余下的交流杂波又被R2和C2分压。这余下的交流成分大都降在R2上,而C2两端余下的交流成分就极小,于是起到了第二次滤波(高频滤波)的作用。但是R2的阻值不能太大,它会使输出直流电压损失,通常取1K或2K, 所以这种滤波器多用于负载电流较小的场合。
此温度检测电路,RT与R1可互换,此时A端电压为5 RT /(RT +R1),C1亦可用47μF电容替代,在有些电路中,也把C1省去不用,考虑到性能可靠、规范性及编程方便,通常用图(a)所示电路,取R1为8.06K、R2为2K, C1为10μF、C2为贴片电容103或104(即0.01μF或0.1μF)。但在某些有静电的场合,如移动空调器,经常用手触摸,则最好用防静电温度检测电路,见图(b)
三、继电器驱动电路
在介绍继电器的驱动电路之前,首先简单介绍一下继电器的基本知识。
继电器是一种当输入量变化到某一定值时,其触头(或电路)即接通 或分断交直流小容量控制回路的自动电器。在空调中,继电器输入12V直流电,继电器吸合后,强电的两个管脚接通,输出220V交流电。
1、工作原理:
由永久磁铁保持释放状态,加上工作电压后,电磁感应使衔铁与永久磁铁产生吸引和排斥力矩,产生向下的运动,最后达到吸合状态。如下图:

在空调电控上,一般用两种电路驱动继电器:晶体管驱动电路和集成电路2003驱动。下面分别介绍这两种驱动电路。
2、晶体管驱动
(1)、电路原理图
当晶体管用来驱动继电器时,必须将晶体管的发射极接地。具体电路如下:
NPN晶体管 PNP晶体管
(2)、工作原理简介
NPN晶体管驱动时:
当输入高电平时,晶体管T1饱和导通,继电器线圈通电,触点吸合。
当输入低电平时,晶体管T1截止,继电器线圈断电,触点断开。
PNP晶体管驱动时:
当输入高电平时,晶体管T1截止,继电器线圈断电,触点断开。
当输入低电平时,晶体管T1饱和导通,继电器线圈通电,触点吸合。
(3)、电路中各元器件的作用
晶体管T1为控制开关。
电阻R1主要起限流作用,降低晶体管T1功耗。
电阻R2使晶体管T1可靠截止。
二极管D1反向续流,抑制浪涌。继电器的绕组是一个感性元件,总是阻碍电流的变化,断电时,电流瞬间降到0,它会产生一个很大的反向电动势,如果没有D1,这个电动势很可能将主控板烧坏。接上D1后,反向电动势直接被D1短路,从而保护了主控板。
3、集成电路驱动
目前已使用多个驱动晶体管集成的集成电路,使用这种集成电路能简化驱动多个继电器的印制板的设计过程。现在所用驱动继电器的集成电路主要有TD62003AP。下面就TD62003AP介绍一下采用集成电路驱动继电器的电路。
(1)电路原理图

(2)工作原理简介
2003的输入—输出特性相当于是一个反向器。当2003输入端为高电平(5V)时,对应的输出口输出低电平(0V),继电器线圈两端通电,继电器触点吸合;当2003输入端为低电平时(0)V,对应的输出口输出高电平(12V),继电器线圈两端断电,继电器触点断开。
(3)电路中各元器件的作用
2003直接驱动继电器,在2003中已集成有起到反向续流作用的二极管。
(4)各元器件的选型
一般选用2003驱动继电器。现在常用的型号为TD62003AP。
四、遥控接收电路
美的空调器现在选用的遥控接收头型号是HS0038A2,性能比较优越。现从工作原理和两个典型电路具体分析:
1、工作原理:
接收头内部有一接收窗口,是一光敏元件,接收范围局限在某一频率范围的红外线。当光敏元件接收到f1频率的红外线,内部相应激发出一定大小电流,经I---V电路转换成某一电压,滤波后,经一比较器输出脉冲电压,再经内部三极管电平转换,输出间隔不一幅度为+5V脉冲信号送主芯片处理。
2、典型电路分析:
现提供两组电路图(图a、图b),并对电路中各元器件参数设置进行说明。
图a 图b
图a中各元器件参数设置:
(1) 为了减少外电路对+5V电压的干扰影响,保证电气过应力足够,应在供应电压线上加电阻。但电阻不能太大,电阻大了压降也大,这样有些微处理器不一定能正确探测信号,推荐值150Ω。
(2) 为了使输出脉冲的上升时间短,电容最好选用102独石电容。如果选103电容,则脉冲上升时间加长,信号容易失真。
(3) 在输出线增加限流电阻对预防电火花出现有好处,如果电阻太大,压降相应也高,为了保证电路正常工作,要依靠微处理器的电工能负荷的增加。为了使电路与所有的微处理器能兼容,输出信号线电阻选用1KΩ电阻。
(4) 为了外界干扰电压对摇控接收头的干扰,在+5V进线端加一电解电容,起到平滑波形作用。
图b中各元器件参数设置:
相同元器件参数选定依据图a。
不同的是此电路在输出端增加一个PNP三极管,当选用插件三极管,一般选用9012,贴片三极管选用DT143。遥控输出信号为高电平,经电平转换同样输出高电平,有利于降低阻抗输出信号,增加抗干扰能力。
3、电路比较:
两电路原理相同,如果接收头离芯片较近,外界干扰少,可采用图a电路,
反之采用图b电路。
五、压缩机电流检测电路
1、典型的压缩机电流检测电路:
在分体机、柜机和商用空调电控系统中使用得最多、最为典型的压缩机电流检测电路如下图所示:

图中包括下列元件:
(1) 电流互感器TT1——将被检测的交流电流转化成可取样的小电流(交流);
(2) 模拟负载电阻R1——将转化后的小电流转化成电压(交流);
(3) 整流二极管D1——将转化后的交流电压(半波)整流成直流电压;
(4) 电解电容C1——平滑整流后直流电压波形,输入到芯片;
(5) 分压电阻Rx和R2(16K)——用于调整A/D转换的参数,直接确定输入到芯片口的A/D参数;
(6) 钳位二极管D2——确保输入到芯片口的模拟量不大于5V,以免损坏芯片;
(7) 电阻R3和电容C2——组成了RC滤波电路。由于MCU 的A/D口所需输入电流极小,这里将其加在芯片与输入量之间,不会产生压降,因此不会影响采样的精确性。但对电流检测电路的输出信号进行了滤波,防止高频干扰。
2、电路的工作原理及各元器件的主要功能:
在了解电路工作原理之前,首先弄懂电流互感器TT1的工作原理。电流互感器实际是一个线性变压器。其输入电流(被检测电流)与输出电流跟它的内部线圈匝数成正比关系(均为交流电流量)。这样我们开始叙述电路的工作原理:
假如检测压缩机电流值为Ii,根据电流互感器固定的初级/次级线圈匝数比(常量)C,可确定输出电流(为交流)Io=Ix/C;
在选取负载电阻R1(通常为1K)时,其阻值远远小于两分压电阻值。这样,R1的阻值约等于实际的负载电阻值。于是,R1两端的电压Uo=R1×Io=(R1×Ix)/C;(注:此为交流电压值);
在经过整流二极管D1半波整流后(由于MCU 的A/D口所需输入电流很小,此处按严格的计算关系),二极管D1的负极与地之间的直流电压V1=(√2/2) ×Uo=(0.707×R1×Ix)/C;要减掉二极管上的压降约0.5V。
直流电压V1在分压电阻Rx和R2上分压,得出Rx和R2公共端的电压值V2=[Rx÷(Rx+R2)] ×V1=[Rx÷(Rx+R2)] ×[(0.707×R1×Ix)/C-0.5],这就是最终输入到芯片检测口的压缩机电流参数模拟量(改值仍需通过实验最终确定。不同电流互感器及分压电阻Rx对应不同的最终输入到芯片检测口的电压参数表见附录二)。
直流电压V2必须经过电解电容C1平滑波形,成为较平稳的电压模拟量输入到芯片A/D口。钳位二极管D2目的是确保输入到芯片口的模拟量不大于5V,以保证芯片的工作可靠性;电阻R3和电容C2滤除输入量的高频成分,减小其对MCU的影响。
3、电路中各元器件的取舍及参数说明:
(1) 电流互感器TT1是整个电路中最关键的器件即电流传感 器;目前分体机和柜机电控系统中对该元器的选取各不相同。
(2)R1是模拟负载电阻,目前我们的电路中大部分使用1K电阻,按上面的计算公式该电阻当然越精确越好,我们可以选择精度为±1%电阻(其功率根据UoIo计算,我们电路中0.25W足够),由于该电阻对输出电压相当敏感,在选用时注意其精度。
(3)整流二极管D1是必须的。因为模拟负载电阻R1两端的电压是交流的不能直接输入到芯片,必须将其转化成直流电压。根据电流计算D1选用IN4148便可;
(4)分压电阻Rx和R2(16K)的选取注意以下事项:
a、Rx+R2的阻值要求远远大于模拟负载电阻R1的阻值, 这样,电流互感器TT1的负载大致就是R1,目前我们的电路中R2通常使用16K,Rx根据不同的电流互感器和不同的运用电路常用5.1K(柜机)、1.4K(分体机)等;
b、确定你所需的压缩机电流检测范围,根据电流互感器的参数特性和负载电阻可计算出加在Rx和R2两端的电压值V1,该电压经Rx和R2分压得V2,V2的值尽量接近于但不能超过5V,这样不会超出芯片的检测范围又增加A/D检测的准确性;
c、Rx和R2电阻值精度的选取。通常这样的A/D处理电路要求分压电阻Rx和R2的精度比较高(可以选用±1%的电阻),否则,采样值漂移较大。
(5) 钳位二极管D2在电路中是必不可少的。因为该电路是用于检测到压缩机的电流,而实际压缩机在启动时其电流值高达额定电流的3至5倍。于是V2的值远远超过了5V,加上钳位二极管可确保输入到芯片口的模拟量不大于5V,保证芯片的工作可靠性。我们所用的芯片在A/D转换的配置要求中有下列事项尤其值得注意:A/D口的输入电压必须在指定的范围内。尤其适当输入高于VDD或低于VSS电压时(即使在绝对最大额定值的范围内),通道的转换值无定义,同时也将影响其它通道的转换值。所以在A/D转换电路中最好加上钳位二极管。
(6) 如果没有电解电容C1,分压后的V2实际只是半波整流后的电压波形,它是不断变化的模拟量。必须经过平滑波形后再输入到芯片。理论上该电解电容越大波形平滑得越好,但其价格越贵,我们通常选用的是100UF,由于此处电压不超过5V,电解电容的耐压参数用16V便足够;
(7) 电阻R3和滤波电容C2可确保输入量有高频干扰时减小对MCU的影响。省去后会对电路的抗干扰性能有一定影响,但其价格甚微,而且用于MCU 的A/D口,因此没有必要省掉。电阻R3通常使用的是2K,其电阻值可略增大或减少。但阻值太大会在其两端产生较大的压降(与MCU的输入特性有关),从而影响A/D转换的精度。
第二节 美的定频机技术简介
定频机和变频机的区别在于压缩机和电控上,定频系统的压缩机转速恒定,室内传至室外的信号为220V的交流电而比较容易测量。而变频机室内外之间通过通信来确定压缩机的转速,因而电控比较复杂,出现问题也比较难以确定。
美的定频机的室内机的电控与家用柜机和分体机原理基本一致,目前其软件
已经基本稳定。现行生产的机型主要包括嵌入式、一面出风式、风管式、天井式、壁挂式、柜式。简单的定频机室内机向室外传递以下信号(所有冷暖定频机都传递的信号及其顺序都一样):如下图。
压缩机 — 220V交流电,由室内机电控上的继电器输出;
四通阀 — 220V交流电,由室内机电控上的继电器输出(单冷机无此信号);
外风机 — 220V交流电,由室内机电控上的继电器输出;
零线N — 与上述输出形成电压,供给室外板检测。

美的U系列全都是定频机,这里我们把定频机的室内外机电控挑几个典型的来叙述一下,U系列电控我们以后就不再做介绍了。
常见的室内机电控实物如下图:

a、——显示板插子
b、——室外风机、压缩机、四通阀信号输出,220V。其中PRO为接零保护,当室外机有电控时,接到室外机电控板上。若室外机没有电控则直接把它和零线短接。
c、——室内风机输出,220V。
d、——水泵控制,220V。
e、——220V电源输入端。
f、——变压器220V输入端。
g、——变压器输出,16V交流电。
h、——T1
i、——T2
j、——水位开关输入插子。
对于3HP以下的机型,室外机只有一个压缩机接触器,用室内机电控上压缩机继电器直接控制压缩机接触器。
3HP的机子,由于使用三相电,室外机一般都有一个电流检测板,一方面检测压缩机电流,另一方面检测三相电相序。如下图:
电流检测板如下图:

a、——室内机红白黑三根线的输出到这两个端子上。
b、——发光二极管,用于显示室外机故障代码。
c、——输出到室内机电控的PRO上,由电控板上光耦控制,当室外机T3故障或相序保护时,光耦控制其断开,则室内机停机并显示室外机故障。
d、——接室内机零线。
e、——三相电输入,用于检测相序。
5HP的机子室外机一般有一块较大的电控板,用于控制室外风机转速及化霜等。
对于很多匹数较大的室外机来说,其室外机电控板功能较多,如:M系列的室外机电控及部分U系列室外机电控。不过一般室外板的功能比较简单,主要增加了如化霜、室外风机控制、压缩机保护等。如果在调试或运行中这些电控出现问题的话,应当先测量室内输出到室外机的信号有无错误。如果输入正常而输出不正常则可确定是电控板问题。
第三节 美的变频机技术简介
相对于定频机来说,变频机有启动电流小,调节范围宽,温度调节精度高,节能效果好,冷房暖房迅速等特点。对于商用空调来说,变频机最大的优点在于它避免了以往一开全开的浪费现象,它可以通过调节压缩机运转频率来调节能力输出,从而节约了电能。
一、变频空调原理介绍
美的变频空调的控制过程原理如下图:

这是一个交流直流交流的变换过程。交流电220V先通过桥堆整流电容滤波后变成300V的直流电,这300V的直流电一部分供给开关电源,另一部分供给模块,模块的输出直接供给变频压缩机。模块的控制端口由开关电源的输出来控制,而开关电源的输出又受主控板控制,因此主控板通过开关电源控制模块输出,进而控制压缩机运转频率。
下面,我们就来详细的说一下其具体的变换过程:
(1)整流滤波电路:
变频机整流滤波如下图:

其实它就是一个线形整流滤波电路,只是在整流滤波电路前增加了一个滤波器和PTC保护电路和电抗器。
滤波器用于消除市电中的干扰。
由于滤波电容的容量特别大,初次上电时,电路中接近短路,很容易造成跳闸。加上PTC后,流过PTC的电流过大,PTC过热,电阻增大,使电流减小。约2秒后,电容充满电,电控输出使继电器吸合,PTC失去作用。
电抗器用于提高整个电路的功率因数,电容用于滤除干扰。
整流桥和滤波电容选用的容量都比较大。P、N输出300V左右的直流电,直接输出给变频模块。
①整流桥堆
普通整流桥堆如下图:

2和4是220V交流电输入端(无极性),1和3是直流电输出端(3为“+”,1为“-”)。
它内部集成了四个二极管,因此任何两个相邻的管脚之间都有一个二极管。在变频机的电控中,桥堆是一个比较容易损坏的元件,一般现象是被击穿而出现上电跳闸现象。测量桥堆有没有被击穿的方法是:用用万用表的“二极管”(或电阻档)档测量桥堆每两个相邻管脚,每两个相邻管脚之间正反测量两次。二极管正向导通时的电阻一般时300欧姆左右,反向为无穷大。如果测量正反向的电阻都为0的话,说明桥堆已经被击穿,需更换桥堆。
一般变频机中都使用2个桥堆,是为了提高功率因数。
目前在MDV-J140W(160)-510和MDV-280W/CS-810中使用的桥堆是富士桥堆,比较上述桥堆更加稳定。
②滤波电容
滤波电容相对来说是比较稳定的元件,它把桥堆后的脉动直流电变成比较平滑的直流电,然后直接输入到变频模块的P(“+”极)、N(“-”极)端。滤波电容如下图:

此电容板是变频水系统中使用的,它采用5个560uF/400V的电解电容并联以提高整体容量。3和4(Bridge)为桥堆整流后的输入端,1和2(IPM)为向模块的输出端。由于使用了多个电解电容,有时会发生电容爆裂现象。为了提高电路的可靠性,在MDV-J140W(160)-510和MDV-280W/CS-810中直接使用两个3300uF/400V的大电解电容。
(2)变频模块
变频模块是整个变频空调的核心,也是用弱电(主控板)控制强电(压缩机驱动电源)的关键。通常我们见到的模块上面都有一个电控板,这个电控板是开关电源。 开关电源同模块一样属于变频机中比较重要的部件,与第二节中介绍的线形电源相比,开关电源使用体积小的高频变压器(一般可达几十千赫或几百千赫)替代了线形电源中笨重的工频变压器,因此开关电源具有体积小、效率高、设计灵活等特点,目前应用非常广泛。
开关电源将上述整流滤波后的直流电(300V)转换成高频的交流电,然后再转换成直流电。
模块电路如下图:

如上图:P和N输入的300V直流电压经过TOP233Y芯片及其外围电路后变成高频的交流电输出给开关电源变压器(高频变压器),高频变压器输出5路高频交流电经过D1、D2、D3、D4、D6和C10、C11、C12、C13、C16整流滤波之后输出给模块,其中一路变为12V和5V直流电通过CN1输出给主控板,用于给主控板供电。因此当此开关电源损坏后,主控板也无法动作,需更换模块。
主控板工作后,向模块的控制端口U+、V+、W+、U-、V-、W-输出压缩机频率控制信号来控制模块的输出。
模块与主控板间有10根线,分别为:W-、W+、V-、V+、U-、U+、地、+5V、+12V、模块保护。这里要学会测量其中的+5V和+12V信号,因为如果变频机没有动作的话,就可以迅速查出是主控板问题还是模块问题。
当模块保护线输出电压高于3.3V时说明模块有故障。
模块的内部是6个IGBT管(可以想象成6个三极管,用芯片输出的弱电来控制强电输出),这6个IGBT的控制端口对应U+、V+、W+、U-、V-、W-,共有三个输出端口,受主控板上DSP芯片输出信号控制后输出一定频率的强电信号直接供给变频压缩机。
注意:在更换模块或桥堆时,换上去的新模块或桥堆必须涂上导热胶并紧贴在散热片上。
二、美的变频空调的软件上的共同点(不包括自由拖和V系列):
1、当排气温度达到105℃时频率开始下降,压缩机顶部温度达到120℃时,压缩机内部的双金属片断开,室外机电控检测到断开信号后整机停机。当顶部温度下降到105℃时,频率保持现有状态。当排气温度降到90℃时,频率开始恢复。
2、室外风机与压缩机同时启动,但压缩机停止时,室外风机延时30秒关。
3、当电压降到190V左右时开始降频,降到150V左右时整机关,并显示电压保护。当电压高于270V时,整机关并显示电压保护。
4、限频因素很多,一般有:电压、电流、排气温度、室内Ts和T1之差、室外环境温度T4等。正常情况下,电压、电流、排气温度、Ts和T1之差限频并不是很频繁,而T4限频比较常见。制冷时,当T4处于35℃左右时会达到最大频率;制热时T4在3℃以下时会达到最大频率。
以上所涉及到的参数不同机型可能有所差异,但一般差别不大。
第三节 RS-485技术简介
本小节内容在美的以前的一些资料中介绍的比较少,但属于比较重要的内容。在以后要用到RS-485信号的接线中,必需先看完本节内容后再做总线布置和接线。
RS-485是一种多点、差分数据传输的电器规范,现已成为业界应用最为广泛的标准通信借口之一。这种通信借口允许在简单的一对双绞线上进行多点、双向通信。它所具有的噪音抑制能力、数据传输速率、电缆长度及可靠性是其他标准无法比拟的。
目前,美的在网络集控器KJR-06B、KJR-06BD、电脑网络集控、数码涡旋、自由拖、MDV-J280W/S-810以及最新的20(30)HP匹数码涡旋等机型中都已经使用了RS-485通信技术。由于以前在RS-485总线的拓扑中存在很多误区,因此这里有必要对其做详细说明。
美的使用的RS-485通信传输速率比较低,因此最大传输距离理论上说可达2000米。对于2000米这个传输距离来说,基本上是RS-485的传输极限,只有在正确的网络连接条件下RS-485的通信距离才有可能接近这个距离,如果网络连接不正确的话,则通信距离就会被大大的缩短。RS-485在接线时一定要保证有良好的网络拓扑和接地措施以及终端匹配。
一、RS-485的总线结构
RS-485的网络拓扑一般采用终端匹配的总线型结构,不支持环型或星型网络。最好采用一条总线将各个接点串接起来,从总线到每个节点的引出线长度应尽量短,以便使引出线中的反射信号对总线信号的影响最低。如下图:


图1、图3、图5是错误接法,图2、图4、图6是改正后的正确接法。图1、图3、图5的网络连接在距离较短的情况下可以勉强维持正常工作,但随着通信距离增加或通信速率的提高,其不良影响会越来越严重,主要原因是信号在各支路末端反射后与原信号迭加,造成信号质量下降。此外,还要注意总线特性阻抗的连续性,在阻抗不连续点也会发生信号的反射。例如,总线的不同区段采用不同电缆或有过长的分支线时都会出线阻抗不连续点而使通信质量严重下降。总之,应该提供一条单一、连续的信号通道作为总线。这一点在网络集控时要特别注意。
二、接地措施
电子系统的接地是一个非常关键的又经常被忽视的问题,接地措施不合理会导致信号被干扰而使系统无法正常工作。目前美的资料中所规定的信号线都是2芯的屏蔽线,在实际施工中对于网络机一定要使用屏蔽双绞线,其中两根用于通信,另外两根根接到电控板的+5V的地上,屏蔽层接到室内机的外壳上。(注意,要单点接地,也就是接到离数据转换模块最近的室内机的外壳上)
注意:网络布线中所有的接点,为了防止导线氧化,要用焊接而不能直接用
手拧住。通讯总线和所有分支线应避开强电线路和强干扰区域,单独穿管布线,与强电回路的距离在300mm以上。
在数码涡旋、自由拖、MDV-280W/CS-810等机型中,每台室内机和室外机的通信接口上都有P、Q和E三个接线坐,其中E是电控板的工作地,也就是通常所说的+5V的地(7805中间的管脚),接到通信线的屏蔽层上,可有效的抵抗外来的干扰。
另外在使用网络集控器KJR-06B、电脑网络集控等场合,由于所接室内机较多且分布环境不同,即要注意总线的布置,也要注意正确的接地措施。在焊接网络功能模块时,要把每个电控板中+5V的地引出来,同时也要把集控器或数据转换模块中的+5的地也引出来,都接到信号线的屏蔽层上。(三芯屏蔽线时接到除通信线外的另一根线上,屏蔽层接外壳。)
三、终端匹配
当传输距离较近时,可以不考虑终端匹配;若传输距离比较远的话必需考虑终端匹配来提高通信质量。
信号在传输线末端突然遇到电缆阻抗很小甚至没有,信号在这个地方就会引起反射。消除这种反射的方法,就必须在电缆的末端跨接一个与电缆的特性阻抗同样大小的终端电阻,使电缆的阻抗连续。由于信号在电缆上的传输是双向的,因此,在通讯电缆的另一端可跨接一个同样大小的终端电阻。
目前,美的的网络功能模块和集控器以及电脑集控使用的数据转换模块上都没有使用终端匹配技术。实际施工时,要在每最远处的一个网络功能模块上和数据转换模块的A、B通信线上跨接两个相同的电阻(匹配电阻为1/4瓦120欧金属膜电阻,RJ-1/4-120Ω±5%)。如下图:
目前在数码涡旋以及变频自由拖等机型中已经匹配了100欧姆的电阻,因此,安装过程中不必考虑终端匹配。
客服电话:18221888872
工作时间:9:00-18:00 (工作日)
意见建议:u18221888872@163.com
